0519-88963888
0519-88127888

Jianda dry engineering
產品概述(shù)
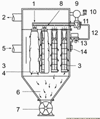
含塵氣(qì)流從進氣(qì)口進入下箱體後,部分沉降,輕微粉塵浮動時被濾袋阻留。淨化空氣透過濾袋,經文氏管進入上箱體,從出氣口(kǒu)排出。 積(jī)附在(zài)濾袋外壁的粉塵不斷增加(jiā),當阻力在限定(一般為80-120毫米水柱)的範圍內,就要清(qīng)除積附在濾袋外壁的粉塵,
原理:
含塵氣流從進氣口進入下箱(xiāng)體後,部分沉降,輕(qīng)微粉(fěn)塵浮動時被濾袋阻留。淨化(huà)空氣透過濾袋,經文氏管進入上箱體,從出氣口排出。
積附在(zài)濾袋外壁(bì)的粉塵不斷增加,當阻力(lì)在限(xiàn)定(一般為80-120毫(háo)米水柱)的範圍內,就要清(qīng)除積附在濾袋外壁的粉塵,清灰(huī)是由控(kòng)製儀定期順序觸發各控製閥,開啟(qǐ)脈衝閥(fá),使氣包內的壓縮(suō)空氣由噴吹管孔噴出(一次風(fēng))通過文(wén)氏(shì)管誘導數倍於一次風的(de)周圍空氣(二次(cì)風)進入(rù)濾袋,使濾袋在一瞬間急劇膨脹並伴隨著(zhe)氣流的反向作用.被抖落的粉塵落入(rù)灰門經排灰閥排出機體。
適用範圍:
廣泛應用於冶金、鑄造、礦山、化(huà)工、醫藥、飼料、糧食加工(gōng)等行業的通風除(chú)塵和粉塵回收(shōu)。
![]() |
![]() |
|
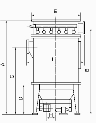
結構及(jí)屬性:
![]() |
|
![]() |
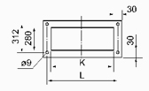
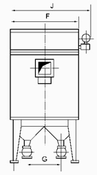
安裝示意圖:
MF48-MF84 | MF48-MF120 | MF96-MF120 |
![]() |
![]() |
![]() |
MF48-MF84 | MF96-MF120 |
![]() |
![]() |
MF係列脈衝(chōng)布(bù)筒濾塵(chén)器(qì)是各類幹燥設備中配套的除塵設備,應用於我們所有的(de)客戶中。
烘幹機械(xiè)品牌排行榜前十名(míng)-烘幹機械十大品牌排行榜榜首中國行業優選榜聯合《發現品牌》欄目組、品牌強國優選工程等權威組(zǔ)織共(gòng)同發起的年…